Subscribe to our newsletter - Tech support
1989 / 2024 Flip through our history
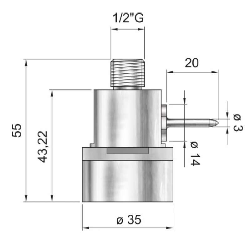
PressureDisk dimensional drawings

The dimensional drawings for PressureDisk series are available too. PressureDisk is the Tecnosoft data logger for temperatura and pressure monitoring for autoclave and sterilisation processes. Click on the link below and scroll down the page till the Documentation section.

https://www.tecnosoft.eu/en/products/4/60/pressuredisk-temperature-and-pressure-data-logger/